


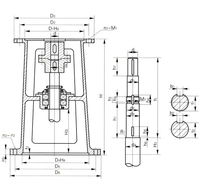
| JXLD型 | d | JBLD型 | d | d1 | M1 | d2 | d3 | d4 | R1 | t1 | b1 | t2 | b2 | h1 | h2 | h3 | h4 | h5 | h6 | h7 | h |
| JXLD1 | 18 | 22 | M25×1.5 | 22 | 25 | 30 | 1 | 21 | 5 | 22 | 5 | 103 | 3 | 13 | 22 | 30 | 3 | 30 | 170 | ||
| JBLD2 | 25 | 32 | M35×1.5 | 32.8 | 35 | 40 | 1 | 31 | 6 | 31.5 | 6 | 103 | 3 | 13 | 22 | 30 | 3 | 53 | 185 | ||
| JXLD3 | 35 | JBLD1 | 40 | 42 | M45×1.5 | 42.8 | 45 | 50 | 1 | 41 | 6 | 41.5 | 6 | 113 | 3 | 15 | 24 | 40 | 3 | 53 | 281 |
| JXLD4 | 45 | 47 | M50×1.5 | 47.8 | 45 | 50 | 1 | 41 | 6 | 41.5 | 8 | 113 | 3 | 15 | 28 | 40 | 3 | 69 | 298 | ||
| JBLD2 | 50 | 57 | M60×2 | 57 | 60 | 65 | 1 | 56 | 8 | 56 | 8 | 118 | 4 | 15 | 28 | 40 | 3 | 69 | 306 | ||
| JXLD5 | 55 | 57 | M60×2 | 57 | 30 | 65 | 1 | 56 | 8 | 56 | 8 | 118 | 4 | 15 | 28 | 40 | 3 | 80 | 365 | ||
| JBLD3 | 65 | 71 | M75×2 | 72 | 75 | 80 | 1 | 69 | 10 | 70 | 10 | 143 | 4 | 18 | 32 | 50 | 3 | 93 | 380 | ||
| JXLD6 | 65 | 71 | M75×2 | 72 | 75 | 80 | 1 | 69 | 10 | 70 | 10 | 143 | 4 | 18 | 32 | 50 | 3 | 93 | 369 | ||
| JBLD4 | 80 | 81 | M85×2 | 82 | 85 | 90 | 1.5 | 79 | 10 | 80 | 10 | 163 | 4 | 18 | 32 | 60 | 3 | 93 | 388 | ||
| JXLD7 | 80 | 81 | M85×2 | 82 | 85 | 90 | 1.5 | 79 | 10 | 80 | 10 | 163 | 4 | 18 | 32 | 60 | 3 | 93 | 425 | ||
| JXLD8 | 90 | JBLD5 | 90 | 91 | M95×2 | 92 | 95 | 110 | 1.5 | 89 | 12 | 90 | 12 | 168 | 4 | 20 | 36 | 60 | 3 | 125 | 457 |
| JXLD9 | 100 | JBLD6 | 100 | 112 | M115×2 | 112 | 115 | 125 | 2 | 109 | 14 | 109.5 | 14 | 178 | 4 | 24 | 42 | 60 | 3 | 129 | 425/458 |
| JXLD10 | 110 | JBLD7 | 110 | 112 | M115×2 | 112 | 115 | 125 | 2 | 109 | 14 | 109.5 | 14 | 178 | 4 | 24 | 42 | 60 | 3 | 153 | 374 |
| JXLD11 | 130 | JBLD8 | 130 | 135 | M140×2 | 137 | 140 | 150 | 2 | 132 | 14 | 134.5 | 14 | 208 | 4 | 28 | 46 | 70 | 3 | 196 | 440 |
| JXLD12 | 180 | 180 | 185 | M190×3 | 185 | 190 | 220 | 3 | 179 | 16 | 184 | 16 | 235 | 4 | 35 | 55 | 100 | 4 | 284 | 617 |
| 機架 | 外形及聯接尺寸 | Ⅰ型 | Ⅱ型 | ||||||||||||||
| JXLD | JBLD | D1 | D2 | D3 | n1-M1 | D4 | D5 | D6 | n2-φ2 | H2 | f2 | H | H3 | 重量 | H | H3 | 重量 |
| JXLD1 | 100 | 134 | 160 | 4-M8 | 240 | 285 | 315 | 6-φ14 | 14 | 6 | 370 | 150 | 12 | 460 | 240 | 14 | |
| JXLD2 | 130 | 160 | 190 | 6-M8 | 260 | 320 | 360 | 6-φ18 | 18 | 6 | 420 | 165 | 26 | 500 | 245 | 30 | |
| JXLD3 | JBLD1 | 170 | 200 | 230 | 6-M10 | 300 | 360 | 410 | 6-φ18 | 18 | 6 | 520 | 158 | 55 | 610 | 248 | 60 |
| JXLD4 | 200 | 230 | 260 | 6-M10 | 335 | 400 | 450 | 6-φ18 | 18 | 8 | 570 | 175 | 80 | 670 | 275 | 86 | |
| JBLD2 | 167 | 84 | 267 | 90 | |||||||||||||
| JXLD5 | 270 | 310 | 340 | 6-M10 | 385 | 450 | 500 | 8-φ18 | 24 | 8 | 650 | 182 | 110 | 750 | 282 | 120 | |
| JBLD3 | 167 | 115 | 267 | 125 | |||||||||||||
| JXLD6 | 316 | 360 | 400 | 8-M12 | 410 | 480 | 530 | 12-φ18 | 24 | 8 | 660 | 179 | 130 | 760 | 289 | 145 | |
| JBLD4 | 161 | 138 | 262 | 158 | |||||||||||||
| JXLD7 | 345 | 390 | 430 | 8-M16 | 430 | 510 | 565 | 12-φ22 | 24 | 8 | 740 | 191 | 160 | 860 | 311 | 178 | |
| JXLD8 | JBLD5 | 400 | 450 | 490 | 12-M16 | 430 | 510 | 565 | 12-φ22 | 28 | 8 | 800 | 199 | 208 | 920 | 319 | 230 |
| JXLD9 | JBLD6 | 455 | 520 | 580 | 12-M20 | 455 | 520 | 580 | 12-φ22 | 30 | 10 | 810 | 203 | 235 | 920 | 313 | 262 |
| JXLD10 | JBLD7 | 520 | 590 | 650 | 12-M20 | 520 | 590 | 650 | 12-φ22 | 30 | 12 | 830 | 252 | 300 | 950 | 372 | 345 |
| JXLD11 | JBLD8 | 680 | 800 | 880 | 12-M30 | 680 | 800 | 880 | 12-φ37 | 45 | 12 | 860 | 200 | 480 | 980 | 320 | 538 |
| JXLD12 | 900 | 1020 | 1160 | 12-M36 | 900 | 1020 | 1160 | 12-φ39 | 50 | 12 | 1200 | 201 | 1350 | 350 | |||
Copy right ? 2021 常州市格能順機械設備有限公司 主營臥式/電加熱/混合機|攪拌機